Hyguard® BN
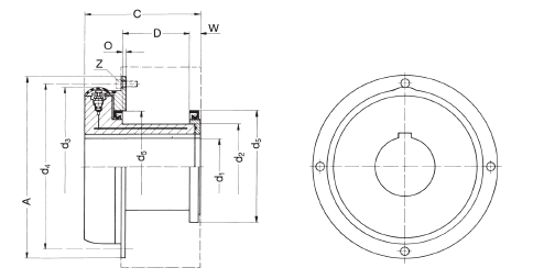
Základní konstrukční řada s drážkou, třecí plochy vně,pro nízké otáčky.
17 katalogových velikostí s rozsahem krouticích momentů od 600 Nm do 180.000 Nm

Řada bezpečnostních spojek HYGUARD® BN je určena pro použití v pohonech s drážkou v hřídeli. Tento model má integrovanou drážku pro lícované pero a je hodný zejména pro přestavbu již existujících pohonů. Vložená pouzdra pro překlenutí průměrů nejsou potřebná. Kluzná plocha se nachází na vnějším průměru Kluzná rychlost by neměla překročit 1,5 m/s. (Provedení pro vyšší rychlosti na přání)
