Audol s.r.o.

Hyguard® BWN

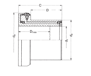
Základní konstrukční řada s valivými ložisky a drážkou, třecí plochy vně, pro nízké otáčky.

13 katalogových velikostí s rozsahem krouticího momentu od 1700 Nm do 150.000 Nm.

Provedení HYGUARD® BWN je rozšíření řady BN a je vybaveno taktéž integrovanou drážkou pro lícované pero. Proto je vhodná pro přestavby stejně jako pro nová zařízení. Zabudovány jsou dvě válečková ložiska a proto odpadá omezení kluzné rychlosti na 1,5 m/s. Modely BWN jsou vhodné také pro pohony s vyššími otáčkami. (Provedení pro vyšší rychlosti na přání)